ERBS 加力実験


試験装置全景
(by JFEテクノリサーチ株式会社)
試験体
ERBS-H 試験体
 
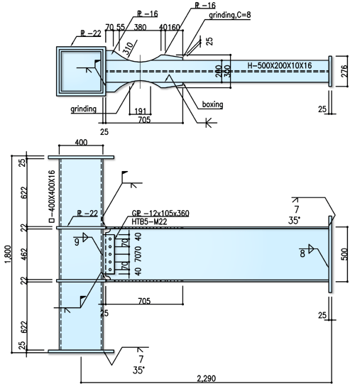
ERBS-BH 試験体
歪ゲージ貼付け位置
 
素材引張試験
試験片
No.
試験片寸法 降伏点

(N/㎜2
引張強さ

(N/㎜2
伸び
GL= (%)
ヤング係

(N/㎜2
備 考
厚さ(㎜) 幅(㎜)
No.1 12.095 40.01 294.2
283.9
438.7
30.1
2.03x105 PL t=12-1
No.2 12.081 40.05 293.5
282.1
439.2
29.5
1.96x105 PL t=12-2
No.3 16.067 40.05 258.0
244.8
409.5
32.6
1.72x105 PL t=16-1
No.4 16.055 40.05 254.3
247.3
409.8
32.5
1.84x105 PL t=16-2
No.5 22.203 40.05 247.4
235.6
404.8
33.8
1.75x105 PL t=22-1
No.6 22.205 40.05 251.9
238.4
405.9
33.9
1.89x105 PL t=22-2
No.7 15.750 40.05 278.2
271.9
415.4
29.4
2.08x105 H-500×200×10×16
flange-1
No.8 15.924 40.05 273.6
265.8
413.2
30.4
2.10x105 H-500×200×10×16
flange-2
 
載荷ルール
ERBS-H 荷重-変形曲線
ERBS-H 試験体 写真
2δP
4δP
6δP
8δP


ERBS-BH 荷重-変形曲線
ERBS-BH 試験体 写真
2δP
4δP
6δP
8δP
フランジ外面の歪分布
ERBS-H 上フランジ引張歪
 
ERBS-H 下フランジ圧縮歪
 
ERBS-BH 上フランジ引張歪
 
ERBS-BH 下フランジ引張歪